home...
home...
 

 
<< next Page << backward <<
 
go to Accessories Overview
7.online

 
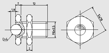
MP-C ready to use in Micro Pusher MP-20 L

MP-F ready to use in Micro Pusher MP-20 L

 

 


 
Founded in 1990, MICOS specializes in the development, manufacturing and marketing of ultra-high precision positioning components and systems for research and industry. We are experts in vacuum, ultra-high vacuum, clean room, and extreme climate environments down to 77 Kelvin.
 
home...
 
Terms | Sitemap | About us | Contact | Catalog | Shows | News | Offices | Partners | Press Center | Support | Team | Home
MOTION CONTROL = Systems | Positioners | MiniPositioners | DirectDrives | Controllers | ManPositioners | Accessories | Vacuum
MAC PhotonX = Moskito | Albatros | Campus


Copyright 2008 © MICOS