home...
home...
 

 
<< next Page << backward <<
 
go to Accessories Overview
7.013

 
AB-20
MT-55 Z-mounting
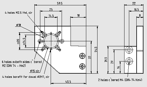
AB-30

 

MT-60/MT-55 Z-mounting

 


 
Founded in 1990, MICOS specializes in the development, manufacturing and marketing of ultra-high precision positioning components and systems for research and industry. We are experts in vacuum, ultra-high vacuum, clean room, and extreme climate environments down to 77 Kelvin.
 
home...
 
Terms | Sitemap | About us | Contact | Catalog | Shows | News | Offices | Partners | Press Center | Support | Team | Home
MOTION CONTROL = Systems | Positioners | MiniPositioners | DirectDrives | Controllers | ManPositioners | Accessories | Vacuum
MAC PhotonX = Moskito | Albatros | Campus


Copyright 2008 © MICOS